Husky 716 (3/4") METAL
페이지 정보
작성자 최고관리자 조회131회 작성일 22-09-23 10:18-
-
제품명 : Husky 716 (3/4") METAL
-
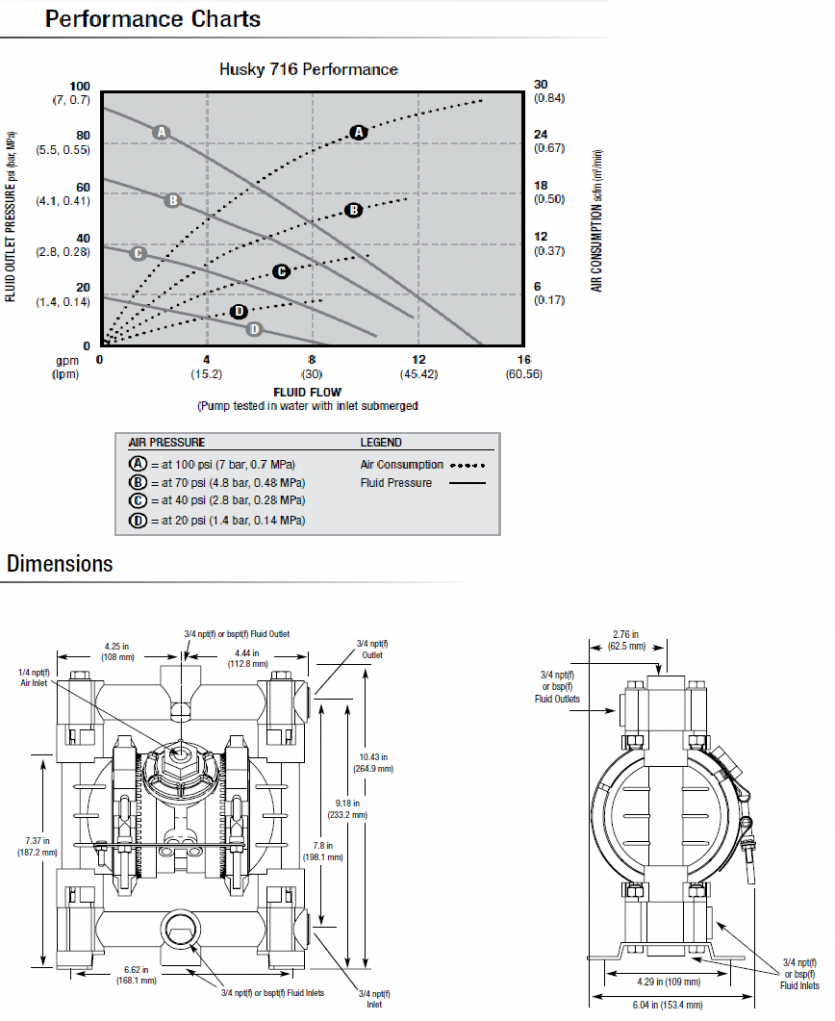
Max Pressure
7 bar
-
Max Capacity
61 ℓ/min
-
Max size pumpable solids
2.5 mm
-
Max Air supply consumption
28 scfm
-
Connection(Inlet / Outlet)
3/4" npt(f)
-

